欢迎访问固强精密零部件
联系电话:13650380971
Email:gq01@gqprecision.com
English
首页
关于固强
产品中心
定制服务
行业资讯
联系我们
×
搜索
首页
产品中心
阻尼缓冲器系列
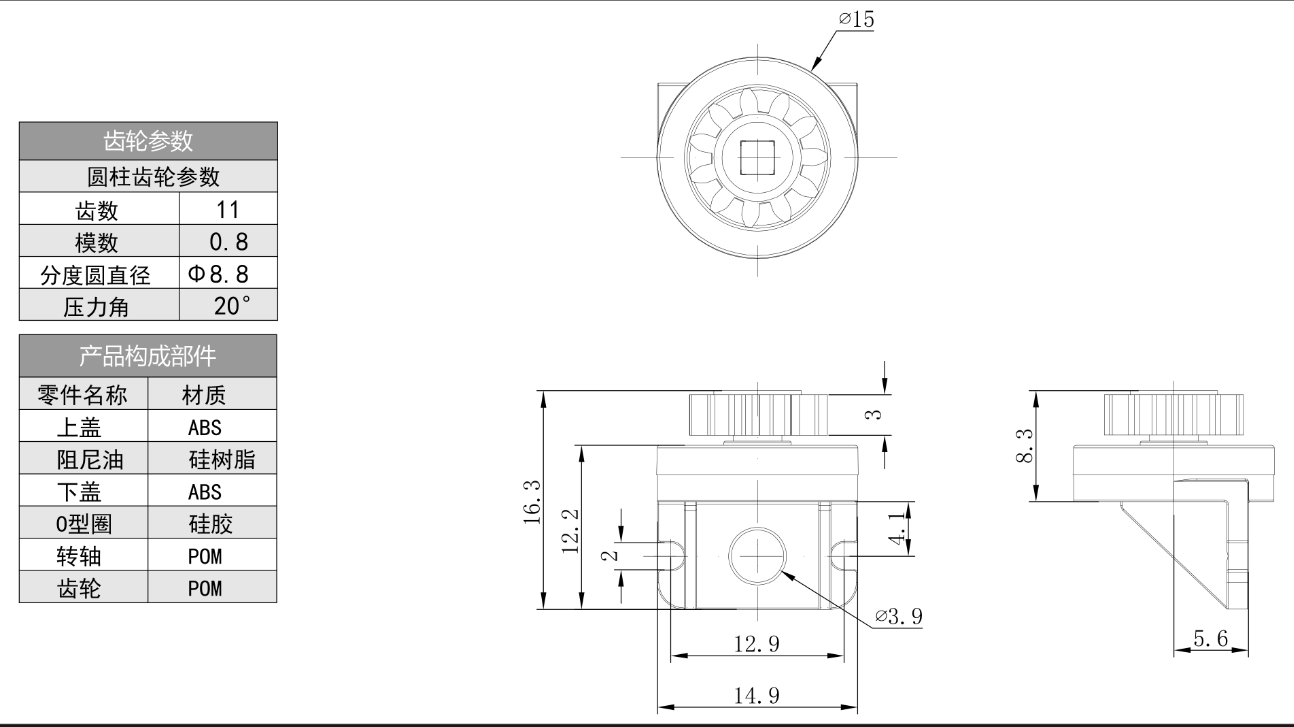
阻尼齿轮
阻尼齿轮GHCL-01
联系我们
返回列表
产品介绍