Welcome to visit 东莞固强精密零部件有限公司
Mobile: 13650380971
Email: gq01@gqprecision.com
中文
Home
关于固强
产品中心
定制服务
行业资讯
联系我们
×
Search
Home
产品中心
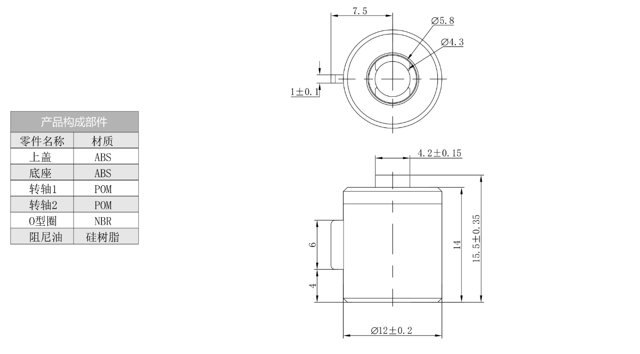
阻尼缓冲器系列
转轴阻尼器
转轴阻尼GHCL-45
Contact Us
Back to list
Product Details