欢迎访问固强精密零部件

联系电话:13650380971
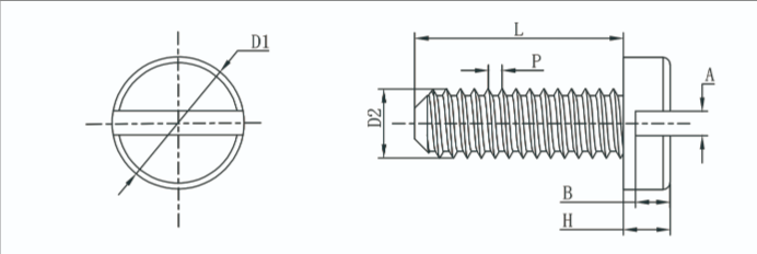
公制平头一字螺丝M2 M3 M4 M5 M6
公制平头一字螺丝M2 M3 M4 M5 M6
公制平头一字螺丝M2 M3 M4 M5 M6
公制平头一字螺丝M2 M3 M4 M5 M6
公制平头一字螺丝M2 M3 M4 M5 M6
公制平头一字螺丝M2 M3 M4 M5 M6

公制平头一字螺丝M2 M3 M4 M5 M6

产品采用环保塑胶材料制作,具有质量轻、无毒害、耐腐蚀、结构稳定、无电磁干扰等特性。主要用于精密电子设备、产品面板固定,用螺丝刀将本产品拧入预置螺孔中,将电路板、电子元器件等精密产品固定。


产品介绍

image.png

image.png