欢迎访问固强精密零部件
联系电话:13650380971
Email:gq01@gqprecision.com
English
首页
关于固强
产品中心
定制服务
行业资讯
联系我们
×
搜索
首页
产品中心
紧固件系列
螺钉
公制扁平头十字螺丝M2
产品采用环保塑胶材料制作,具有质量轻、无毒害、耐腐蚀、结构稳定、无电磁干扰等特性。主要用于精密电子设备、产品面板固定,用螺丝刀将本产品拧入预置螺孔中,将电路板、电子元器件等精密产品固定。
联系我们
返回列表
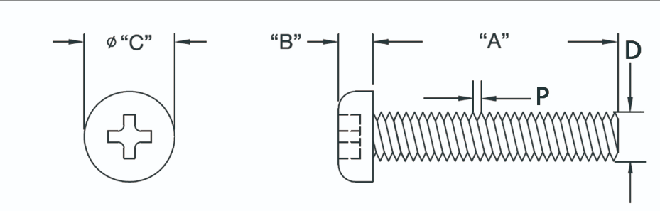
产品介绍
型号
D
A
B
C
P
材质
颜色
M2X5
2.0
5.0
0.8
3.6
0.4
PA66
本色