欢迎访问固强精密零部件
联系电话:13650380971
Email:gq01@gqprecision.com
English
首页
关于固强
产品中心
定制服务
行业资讯
联系我们
×
搜索
首页
产品中心
紧固件系列
螺钉
公制沉头一字螺丝M4
产品采用环保塑胶材料制作,具有质量轻、无毒害、耐腐蚀、结构稳定、无电磁干扰等特性。主要用于精密电子设备、产品面板固定,用螺丝刀将本产品拧入预置螺孔中,将电路板、电子元器件等精密产品固定。
联系我们
返回列表
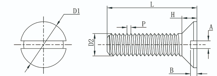
产品介绍
型号
D2
D1
H
L
P
材质
颜色
M4X12
M4
8.2
2.66
12
0.7
PA66
本色
M4X16
M4
8.2
2.66
16
0.7
POM
本色
M4X16
M4
8.2
2.66
16
0.7
PA66
本色
M4X20
M4
8.2
2.66
20
0.7
PA66
本色