Welcome to visit 东莞固强精密零部件有限公司
Mobile: 13650380971
Email: gq01@gqprecision.com
中文
Home
关于固强
产品中心
定制服务
行业资讯
联系我们
×
Search
Home
产品中心
紧固件系列
螺钉
公制螺丝
扁平头十字螺丝
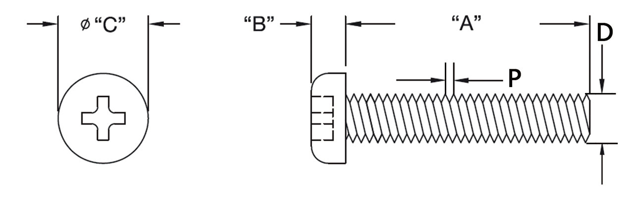
扁平头十字螺丝M2X5
本产品采用环保塑胶材料制作,具有质量轻、无毒害、耐腐蚀、结构稳定、无电磁干扰等特性。主要用于精密电子设备、产品面板固定,用螺丝刀将本产品拧入预置螺孔中,将电路板、电子元器件等精密产品固定。
Contact Us
Back to list
Product Details